Breadcrumbs

FCU - Sensors - Wrong readings

Issue

The FCU controller registers wrong, oscillating temperature readings, despite the resistance or voltage readings do not reveal any irregularities. The problem can occur with longer wires, while shorter connections work correctly.

Possible solution

  1. Make sure that the length of the cables does not exceed the recommended limits specified in the wiring instructions.

  2. Verify if there are no interferences along the wiring route or inside the cabinet, such as electromagnetic fields, the presence of 230 V cables, etc., which could affect the signal.

  3. Verify if the SI input has been correctly configured for the applied sensors.

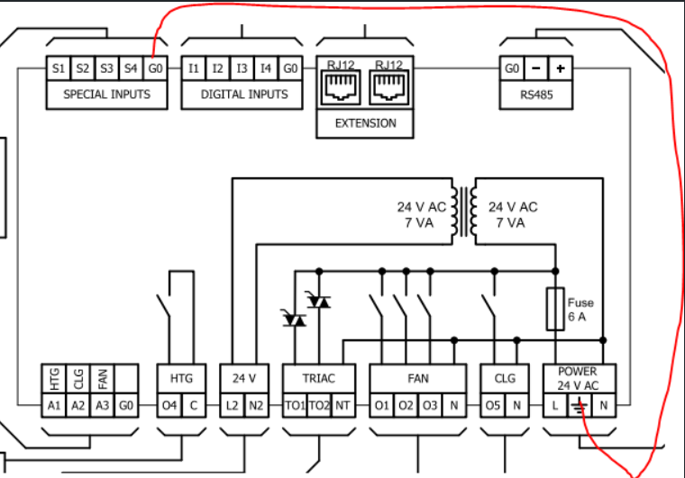
  4. To reduce interferences, connect the G0 input terminal on the FCU controller to the power supply ground, which may help to resolve the issue with internal paths on the PCB in the FCU device.



  1. image-20241105-124825.png