Connections
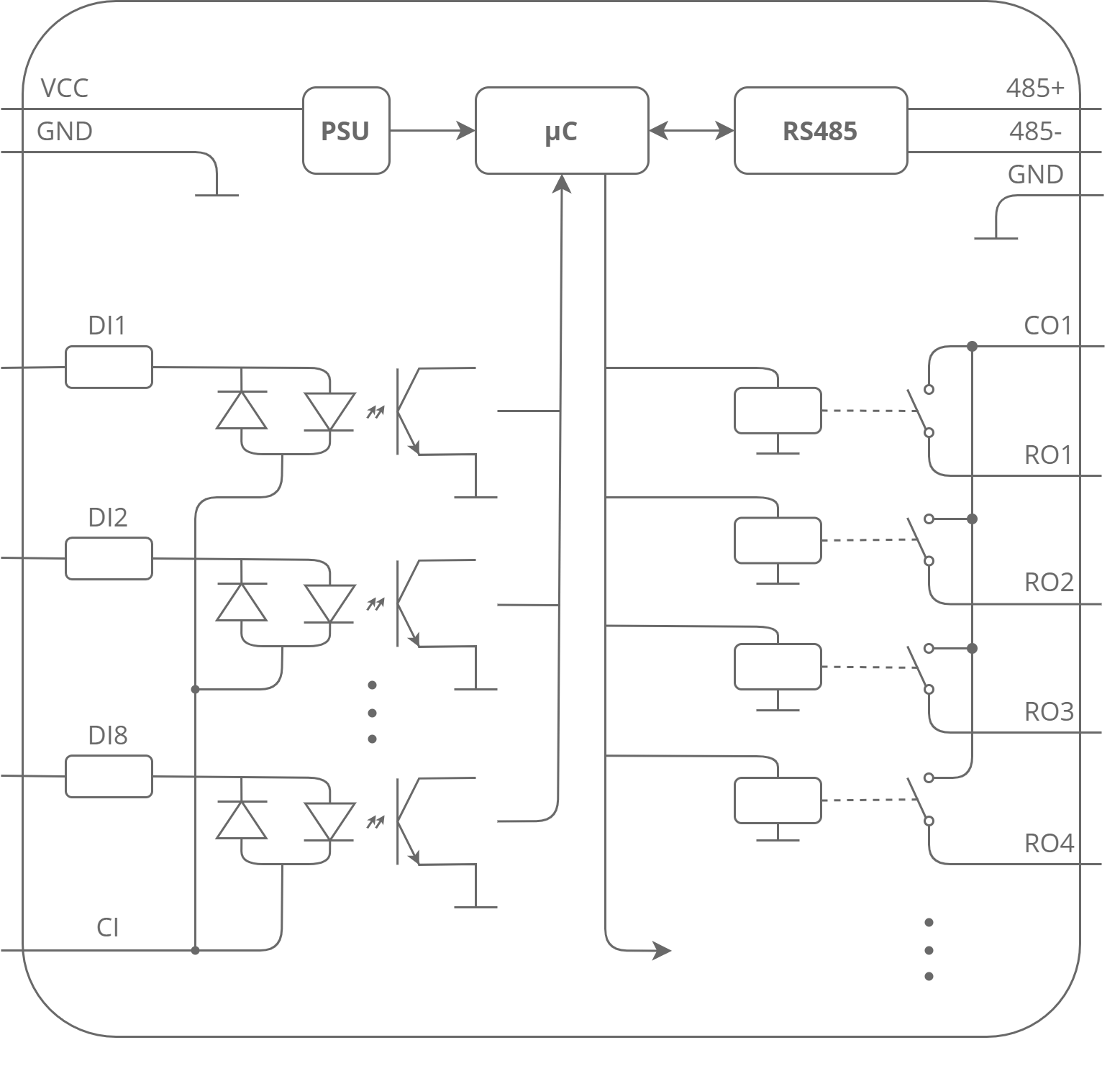
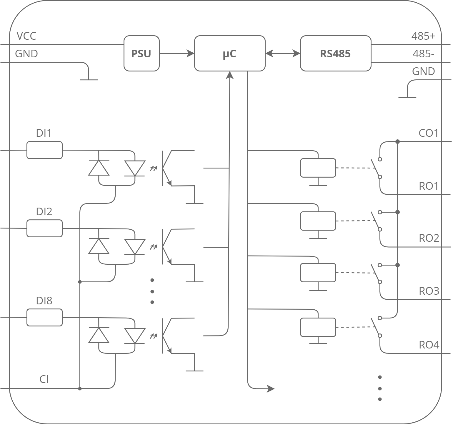
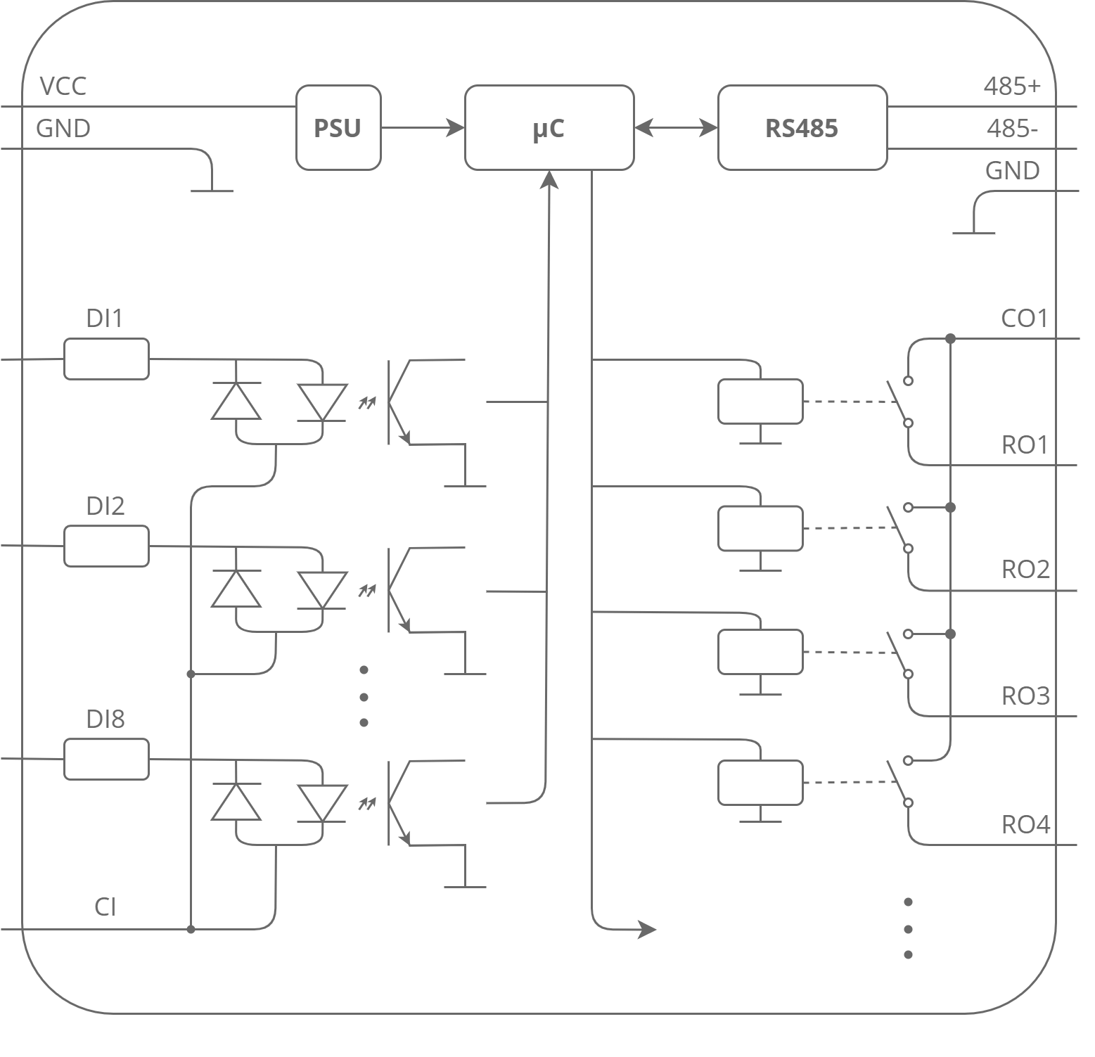
Block Diagram

Power Supply Connection
DC Power Connection

AC Power Connection

Communication Bus Connection

Connection of Digital Inputs
Connection of Input

Connection of Encoder

Connection of Relay Outputs
Connection of Electrovalve

Connection of Resistive Load

Quick Connector
The Quick Connector is a unique feature of modules that allows for quickly connecting a group of devices with a flat ribbon cable. Thanks to this solution, it is enough to connect power and RS485 communication to one of the devices in the group, and the others will be powered and communicated with ribbon cable. The Quick Connector is sufficient to connect up to 10 devices next to each other. It is important that the various types of modules in the SfAR-S family can be connected with the ribbon cable.
