Breadcrumbs

Connections


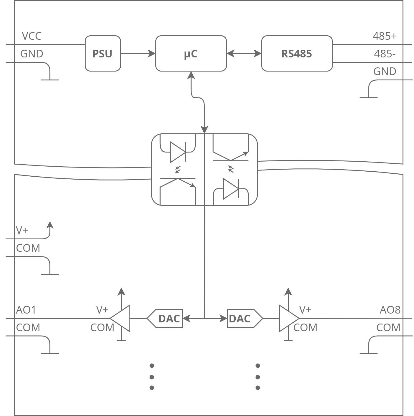
Block Diagram


02_2.png

Block diagram


Power Supply Connection

DC Power Connection

DC_2.png

DC power connection


AC Power Connection

AC_2.png

AC power connection


Communication Bus Connection

RS_2.png

Communication bus connection


Connection of Analog Outputs

Connection of Current Output

03_2.png

Connection of current output

Connection of Voltage Output

04_2.png

Connection of voltage output


Quick Connector

The Quick Connector is a unique feature of modules that allows for quickly connecting a group of devices with a flat ribbon cable. Thanks to this solution, it is enough to connect power an RS485 communication to one of the devices in the group, and the others will be powered and communicated with ribbon cable.

The Quick Connector is sufficient to connect up to 10 devices next to each other. It is important that the various types of modules in the SfAR-S family can be connected with the ribbon cable.

05_2.png

Quick Connector